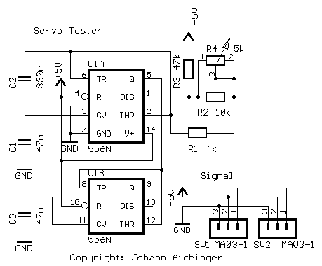
Einfacher Servo-Tester  

Der Servosteller bietet ein angemessenes Puls-Pausenverhältnis und ist daher
auch zum Testen von Fahrtreglern geeignet.

Download  Schema u. Board   (Eagle-Dateien)



Modell - Motoren für Flug-, Schiffs- und Automodelle.  
Peter Demuth  


Kurzbeschreibung
Modell-Verbrennungsmotoren sind Wunderwerke der Feinmechanik, jedoch ist bei richtiger Handhabung ihr Betrieb völlig problemlos. Der Autor, Fachmann auf dem Gebiet der Modell-Verbrennungsmotoren, behandelt in diesem Werk global den Problemkreis Verbrennungsmotor. Jeder an der Materie Interessierte bekommt umfassendes Wissen vermittelt.

hier bestellen ohne Versandkosten innerhalb Deutschland, Österreich u. der Schweiz!



Home